ROS
incogroup
О компании
Услуги
EPC-контракты
Консалтинг
Инжиниринг
Логистика
Монтаж
Каталог
Партнеры
Контакты
О компании
Услуги
Проектирование
Консалтинг
Инжиниринг
Логистика
Монтаж
Каталог
Партнеры
Контакты
ROS
incogroup
О компании
Услуги
Проектирование
Консалтинг
Инжиниринг
Логистика
Каталог
Партнеры
Контакты
Главная
/
Каталог
/
Светотехника
/
Светильники светодиодные (LED)
/
Светильник взрывозащищенный, UMI-EX-91
Светильник взрывозащищенный, UMI-EX-91
Входное напряжение
Индекс цветопередачи
90-264АС
70 Ra
СРОК СЛУЖБЫ LED
Частота
90 000 ч
50/60 Гц
Запросить цену
Описание
Технические параметры
Модели
Габаритные размеры
Описание
Технические параметры
Модели
Габаритные размеры
Индекс цветопередачи
Цветовая температура
70 Ra
3000К/4000К/
5000К
Диаметр подводимого кабеля
Класс защиты от поражения
электрическим током
9-14 мм
I
90-264АС
светодиодная
матрица
50/60 Гц
90 000 ч
Входное напряжение
Источник света
Частота
Срок службы
7200
1Ex db IIВ T6 Gb,
Ex tb IIIC Т95°С Db
UMI-EX-91
2800
Маркировка взрывозащиты
Мощность, Вт
Тип
светильника
Световой поток, Лм
25
40
60
80
4200
5900
КРИВАЯ РАСПРЕДЕЛЕНИЯ СВЕТА
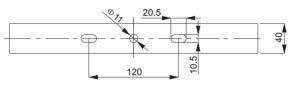
ГАБАРИТНЫЕ РАЗМЕРЫ
Поворотный кронтштейн
Настенное крепление
Монтажный размер кронштейна